○京田辺市危険物事務処理規程
平成12年6月23日
告示第143号
(趣旨)
第1条 この告示は、消防法(昭和23年法律第186号。以下「法」という。)、危険物の規制に関する政令(昭和34年政令第306号。以下「令」という。)及び危険物の規制に関する規則(昭和34年総理府令第55号。以下「規則」という。)並びに京田辺市危険物規制規則(平成25年京田辺市規則第55号。以下「市規則」という。)に基づく危険物の規制に関する事務処理について、必要な事項を定めるものとする。
(1) 仮貯蔵又は仮取扱いをする場所並びにその周囲の状況を示した平面図、立面図及び断面図
(2) 建築物内で仮貯蔵又は仮取扱いをする場合は、当該建築物に関する平面図、立面図及び断面図並びに構造設備図
(3) 貯蔵設備又は取扱設備の位置、構造及び設備の明細書
(4) 消火設備の明細
(5) その他火災予防上必要なことに関する書類及び図面
3 消防長は、危険物の仮貯蔵又は仮取扱いの承認をしたときは、当該承認に係る場所の見やすい箇所に仮貯蔵又は仮取扱いの承認を受けている旨を表示した掲示板(別記様式第2号)を設けるよう指導するとともに、現地調査を行わなければならない。
2 消防長は、許可書を交付するときは、工事の行程計画を確認し、完成検査前に確認することが必要な事項及び完成検査時において必要な資料の準備その他必要な事項について指示しなければならない。
(許可の撤回の処理)
第5条 消防長は、市規則第5条の2の規定により許可申請取下げ書を受理した場合は、必要に応じて現地調査を行い、当該許可書を返納するよう指導するとともに、必要な処理をしなければならない。
(1) 安全管理計画書(消防長が必要と認める場合)(別記様式第5号)
(2) 仮使用の範囲及び工事に必要な範囲を示した平面図等
(3) 仮使用部分の安全対策のために必要な設備の位置及び構造に係る書類及び図面
(4) 消火設備の明細
(5) その他火災予防上必要なことに関する書類及び図面
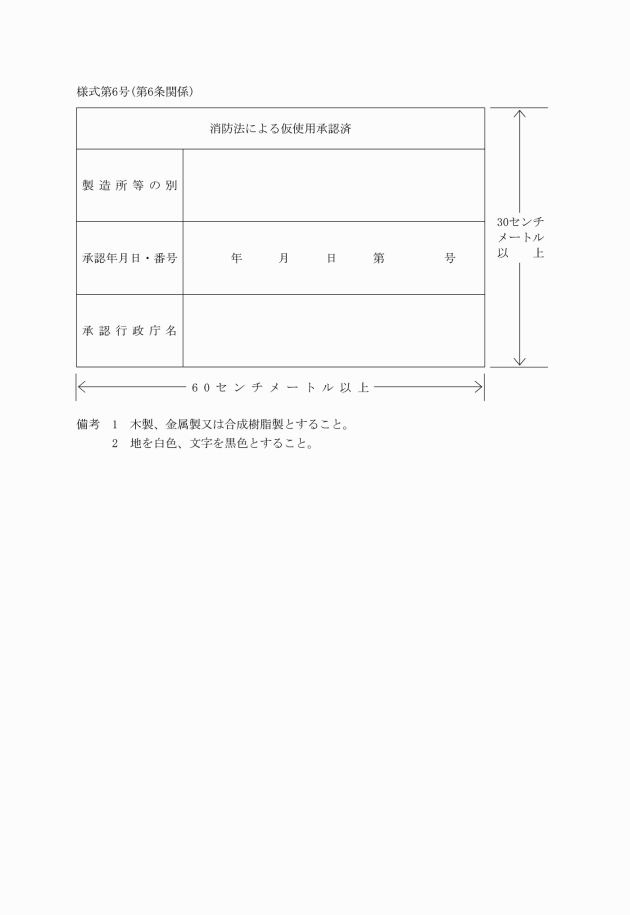
3 消防長は、製造所等の仮使用を承認したときは、当該製造所等の見やすい箇所に仮使用の承認を受けている旨を表示した掲示板(別記様式第6号)を設けるよう指導するとともに、必要に応じて現地調査を行うものとする。
(完成検査申請の処理)
第7条 消防長は、市規則第8条第1項の規定により危険物製造所等完成検査申請書(以下「完成検査申請書」という。)を受理したときは、完成検査の期日を申請者に通知し、完成検査を行わなければならない。
2 消防長は、前項の完成検査申請書のうち、令第8条の2に規定する液体危険物タンク(以下「液体危険物タンク」という。)を有する製造所等に係るものについては、当該液体危険物タンクが法第11条の2に規定する完成検査前検査(以下「完成検査前検査」という。)を受け、技術上の基準に適合している旨を証する書面を提出するよう指導するものとする。
(完成検査済証等の交付の処理)
第8条 消防長は、完成検査の結果、当該検査に係る許可申請書のとおり完成していると認めるときは、規則第6条第2項に定める完成検査済証(以下「完成検査済証」という。)を交付し、完成していないと認めるときは、完成検査不適合通知書(別記様式第7号)により、その旨を通知しなければならない。
2 消防長が、移動タンク貯蔵所の常置場所の変更許可に係る完成検査済証を交付したときは、消防本部予防課は、変更前の常置場所の位置を管轄する行政庁の危険物規制事務主管課に移動タンク貯蔵所変更許可通知書(別記様式第8号)により、その旨を通知しなければならない。
(完成検査済証再交付申請の処理)
第9条 消防長は、市規則第27条第1項の規定により完成検査済証再交付申請書を受理したときは、その内容を審査し、完成検査済証に再交付印(別記様式第9号)を押して再交付しなければならない。この場合において、完成検査済証に記載する市長名は、交付時と再交付時で相違することが予想されるため記載しないものとする。
2 消防長は、市規則第27条第3項の規定により亡失した完成検査済証の提出があったときは、当該完成検査済証再交付申請書に添付し、保存しておかなければならない。
(予防規程の認可申請の処理)
第11条 消防長は、市規則第23条第1項の規定により予防規程制定・変更認可申請書を受理した場合は、申請内容を審査し、法第10条第3項の技術上の基準に適合し、かつ、規則第60条の2第1項各号に掲げる事項について具体的に定め、火災の予防のために適当であると認めるときは、市規則第23条第3項に定める認可書を交付し、適当でないと認めるときは、予防規程不認可通知書(別記様式第11号)により、その旨を通知しなければならない。
(申請取下げの処理)
第12条 消防長は、次に掲げる申請をした者から、当該申請の取下げの願いがあった場合は、申請の取下げを受理することができるものとする。この場合において、その旨を記した書面を提出するよう指導するものとする。
(1) 法第10条第1項ただし書の規定による仮に貯蔵し、又は取り扱う場合の承認の申請
(2) 法第11条第5項の規定による製造所等の完成検査の申請
(3) 法第11条第5項ただし書の規定による仮に使用する場合の承認の申請
(4) 法第11条の2第1項の規定による製造所等の完成検査前検査の申請
(1) 市規則第10条第1項の規定による危険物製造所等の設置者の変更届出書には、設置者の変更があったことを証明できる当該製造所等の登記簿謄本若しくは抄本又はその写し等の書類
(2) 市規則第11条第1項の規定による危険物製造所等譲渡引渡届出書には、譲渡又は引渡しがあったことを証明できる当該製造所等の登記簿謄本若しくは抄本又はその写し等の書類
(3) 市規則第17条第1項の規定による危険物製造所等の軽微な変更届出書には、工事計画書並びに工事に必要な範囲を示した平面図及び構造・設備明細書
(4) 市規則第18条第1項の規定による火気使用工事届出書には、火災予防上の措置等を示した図面
(代理人による申請)
第14条 市規則第30条に規定する市長が必要と認める書類は、設置又は変更をしようとする者が代理人に当該申請に係る権限を委任する旨の書面(委任状)とする。
附則
この告示は、平成12年7月1日から施行する。
附則(平成19年3月30日告示第81号)
この告示は、平成19年4月1日から施行する。
附則(平成25年9月26日告示第137号)
この告示は、平成25年9月26日から施行する。
附則(平成28年3月31日告示第71号)
この告示は、平成28年4月1日から施行する。
附則(令和3年3月11日告示第38号)
この告示は、令和3年3月11日から施行する。
附則(令和4年3月29日告示第39号)
この告示は、令和4年4月1日から施行する。










