○京田辺市公共下水道使用料徴収条例施行規程
平成30年4月1日
公営企業管理規程第5号
(趣旨)
第1条 この規程は、京田辺市公共下水道使用料徴収条例(昭和60年京田辺市条例第28号。以下「条例」という。)の施行について、必要な事項を定めるものとする。
(水道水以外の汚水量)
第2条 条例第7条第1項第2号の規定による水道水以外の汚水量の認定は、次に定めるところによる。
(1) 一般家庭において、水道水以外の水を家事のみに使用する場合は、1世帯1使用月につき、世帯人員に5立方メートルを乗じて得た量に15立方メートルを加えた量をもって汚水量とする。
(3) 一般家庭において、水道水以外の水を家事以外に使用する場合については、その状況を考慮して認定するものとする。
(4) 工場、会社、商店、病院、学校、官公署、集合住宅その他これに類する施設で水道水以外の水を使用する場合は、人員、業務内容、揚水設備の能力及び稼働時間、水の使用状況その他の状況を考慮して認定する。ただし、排水設備設置義務者又は使用者が計測のための装置の取付けを申し出た場合で、これにより汚水量を認定することが適当と認められるときは、仕様書その他当該装置の性能、能力等を表した資料を提出させた上で取り付けをさせることができる。この場合において、公営企業管理者(以下「管理者」という。)は、必要と認めるときは、当該装置の取替え、精度維持のための補修を行わせることができる。
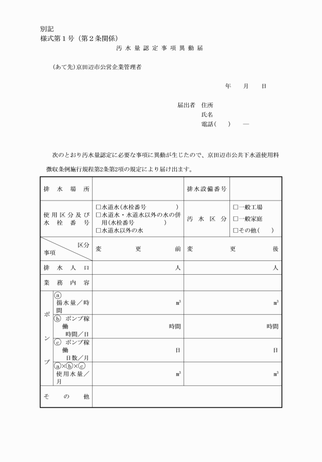
(汚水量の申告)
第3条 条例第7条第1項第4号の規定により、汚水量を申告しようとするときは、汚水量認定申告書(別記様式第3号)により申告しなければならない。
2 前項の申告書には、当該申告書に記載した事項を証する書類を添付しなければならない。
(中途休止等の汚水量)
第4条 条例第7条第2項に規定する汚水量は、次に定めるところによる。
(1) 使用期間が1か月以下のときは、1使用月の認定汚水量とする。
(2) 使用期間が1か月を超えるときは、2使用月の認定汚水量とする。
(端数計算)
第6条 汚水量を認定する場合において、汚水量に1立方メートル未満の端数が生じた場合は、その端数を切り捨てるものとする。
(使用料の過誤納)
第7条 使用料納付後、使用料に増減が生じたときは、その差額を還付し、又は追徴する。ただし、次回徴収する使用料で精算することができる。
(集合住宅の使用料算定等)
第8条 条例第6条第2項に規定する集合住宅の使用料の算定は、次に定めるところによる。
(1) 受水槽設備のある集合住宅に設置する1つのメーターのみで使用料を算定する場合は、各戸の汚水量を均等とみなして使用料を算定することができる。
(委任)
第9条 この規程に定めるもののほか、必要な事項は、管理者が定める。
附則
この規程は、平成30年4月1日から施行する。
附則(令和4年6月30日公営企業管理規程第10号)
この規程は、令和4年7月1日から施行する。
附則(令和5年3月31日公営企業管理規程第5号)
この規程は、令和5年4月1日から施行する。








