○京田辺市開発行為等に伴う公共下水道施設の整備基準等規程
令和3年8月11日
公営企業管理規程第5号
(趣旨)
第1条 この規程は、京田辺市開発行為等に伴う公共下水道施設の整備に関する基準等について、下水道法(昭和33年法律第79号)第16条に規定する公共下水道管理者以外の者の行う工事等に関し、必要な事項を定めるものとする。
(1) 公共下水道 下水道法第2条第3号に規定する公共下水道をいう。
(2) 処理区域 下水道法第2条第8号に規定する処理区域をいう。
(3) 処理予定区域 京田辺市公共下水道条例(昭和60年京田辺市条例第18号)第3条第11号に規定する処理予定区域をいう。
(4) 公共下水道施設 処理区域内又は処理予定区域内において、既存の公共下水道に接続するために設置する管渠、マンホール、公共汚水ます及び取付管等をいう。
(公共下水道施設の設置)
第3条 公共下水道施設整備の施行者(以下「施行者」という。)は、公共下水道施設整備の施行区域が処理区域内にある場合においては、公共下水道施設を設置し、公共下水道に接続しなければならない。
2 前項の場合において、処理予定区域で地形及び構造物等により既設の公共下水道へ接続することができないと公営企業管理者(以下「管理者」という。)が認める場合は、集中浄化槽又は合併浄化槽等の設置について、管理者と協議を行うものとする。
(承認の申請等)
第4条 施行者は、公共下水道施設及び管路施設を設置しようとするときは、次に掲げる書類を管理者に提出し、承認を受けなければならない。
(1) 開発行為等に伴う公共下水道施設及び管路施設の設計協議書(別記様式第1号。以下「設計協議書」という。)
(2) 施工計画書及び材料承認願(別記様式第2号。以下「承認願等」という。)
2 施行者は、前項に規定する書類の内容に変更が生じた場合は、その都度変更に係る書類を提出し、施工前に管理者の承認を受けなければならない。
(工事に係る許可手続)
第5条 公共下水道施設の工事に係る道路使用許可等の必要な手続は、施行者において行うものとする。
(公共下水道施設の設計)
第6条 公共下水道施設の設計に係る高さの表示は、東京湾平均海面(TP)を採用するものとし、使用する基準は、京田辺市下水道台帳に記載されている既設マンホール高又は市の基準点を用いるものとする。
2 汚水の排除方式は分流式とし、計画汚水量は、次に定めるところにより算出するものとする。
(1) 一般的な住宅の計画汚水量は、別記算式第1により算出するものとする。
(2) 一般的な住宅以外の計画汚水量は、建築予定物の用途及び規模に応じて管理者と協議の上、算出するものとする。
3 汚水管の流量は、別記算式第2により算出するものとし、汚水管の断面を決定するときは、計画汚水量に対し、100パーセント以上の余裕を見込むものとする。
4 計画汚水量に対する流速は、毎秒0.6メートル以上3.0メートル以内とし、下流に行くに従い流速は速く、勾配は小さくなるように配慮し、最小勾配は5.0パーミルとする。
5 前各項に定めるもののほか、設計に当たっては、下水道施設計画・設計指針と解説(公益社団法人日本下水道協会発行)の最新の基準に従うものとする。
(管渠の基準)
第7条 管渠の設置は、次に定めるところによるものとする。
(1) 管渠の最小土被りは、1.2メートルとする。ただし、やむを得ない場合に限り、1メートル以下にならない範囲で管理者と協議の上、定めるものとする。
(2) 下水道用硬質塩化ビニル管の布設は、別図第1を標準とし、これによりがたい場合は、管理者と協議の上、定めるものとする。
2 管渠の構造は、次に定めるところによるものとする。
(1) 管渠の断面形は円形とし、最小管径は200ミリメートルとする。
(2) 使用する管種は、下水道用硬質塩化ビニル管(JSWAS K―1)、下水道用鉄筋コンクリート管(JSWAS A―1)、下水道推進工法用硬質塩化ビニル管(JSWAS K―6)、下水道推進工法用鉄筋コンクリート管(JSWAS A―2)等、日本下水道協会規格(JSWAS)又は日本工業規格(JIS)に適合するものとする。
(3) 管渠の基礎工は、別図第2を標準とする。ただし、下水道用鉄筋コンクリート管を使用する場合は、管理者と協議の上、定めるものとする。
(マンホールの基準)
第8条 マンホールの設置は、次に定めるところによるものとする。
(1) マンホールは、管渠の起点及び方向、勾配又は管径の変化する箇所、段差の生じる箇所、管渠の会合する箇所その他維持管理の上で必要な箇所に設置するものとする。
(2) マンホールの最大間隔は、50メートルとする。
2 マンホールの構造は、次に定めるところによるものとする。
(1) マンホールは、組立マンホールを標準とし、公益社団法人日本下水道協会が認定した製品でなければならない。
(2) マンホールと本管、副管及び取付管との接続部には、可とう性継手を使用するものとし、可とう性継手の規格については、管理者と協議の上、定めるものとする。
(3) 管渠径が200ミリメートルの場合は、1号組立マンホールを使用するものとし、斜壁は片面斜壁、構造は別図第3を標準とする。
(4) 管渠に60センチメートル以上の段差がある場合は、副管を設けるものとする。
(5) 副管の構造は、第6条第5項の規定により設計するもとし、詳細は、管理者と協議するものとする。
(6) 管渠の埋設が深く、マンホール深が5メートルを超える場合は、中間スラブを設けるものとし、材質は、繊維強化プラスチック製を標準とする。
(7) マンホールの底部には、汚水の円滑な流下を図るため、管渠の接合又は会合の状況に応じたインバートを設けるものとし、施工は、別図第4を標準とする。ただし、これによりがたい場合は、管理者と協議の上、施工するものとする。
(8) 側壁には、おおむね30センチメートル間隔で、腐食に耐える材質の足掛け金物を取り付けるものとする。
(9) マンホールの蓋は、大型車の通行の程度により、別図第5に定める鉄蓋(T―25又はT―14)を使い分けるものとする。
(10) 直線区間のマンホールには2センチメートル、直角部のマンホールには5センチメートルのステップを設けるものとする。
(公共汚水ます及び取付管の基準)
第9条 公共汚水ますの設置は、次に定めるところによるものとする。
(1) 公共汚水ますは、官民境界から1.0メートル以内で、外構工事等により支障とならない民地に設置するものとする。ただし、土地の状況その他の理由により工事の施工が困難である場合は、管理者との協議により定めた位置に設置するものとする。
(2) ます深は、前面の車道を基準として85センチメートル以上を確保するものとし、宅地の高さ、大きさ等により、管理者が別に定める基準により接続可能な深さとするものとする。
(3) ます深が前面の車道を基準として120センチメートルを超える場合は、構造について管理者と協議の上、設置するものとする。
2 取付管の設置は、次に定めるところによるものとする。
(1) 取付管の平面配置は、本管に対して直角かつ直線的に行い、将来においても最上流部となることが明らかな取付管は、マンホールに接続するものとする。
(2) 取付管の勾配は10パーミル以上とし、支管取付位置は本管の中心線上方から45度以内とする。
3 公共汚水ます及び取付管の構造は、別図第6を標準とする。
4 公共汚水ます鉄蓋は、別図第7に定める鋳鉄蓋を使用するものとし、車両の通行が見込まれる場合は、構造等について管理者と協議するものとする。
5 取付管の最小管径は、150ミリメートルとし、下水道用硬質塩化ビニル管(JSWAS K―1)を使用するものとする。
6 取付管基礎工は、別図第8を標準とする。
2 前項に規定する申請書に添付する工事写真、出来形図及び出来形成果表の作成方法は、京田辺市開発行為等に関する公共下水道施設(汚水)施行指針(令和3年京田辺市公営企業告示第6号)第3条の規定によるものとする。
3 完了検査は、設計協議書、施工計画書及び材料承認願、工事写真、出来形図及び出来形成果表に基づき、次に掲げる事項について、施工状態及び出来形の良否を判断することにより行うものとする。
(1) 管渠、マンホール内及び公共汚水ます内の清掃状態
(2) 管渠勾配、管の通り具合(たるみ等)の状態及び管延長
(3) 完全止水等における漏水状況
(4) マンホールの位置、深さ、内径寸法、内面コンクリートの仕上り、インバートの仕上り、管口の仕上り、足掛金物の取付状態、受枠の据付状態等
(5) 公共汚水ますの設置位置、深さ、管口仕上がり状態等
4 管理者は、完了検査の結果、合格と認めた場合は、開発行為等に伴う公共下水道施設の工事完了確認及び引継書(別記様式第4号)を交付するものとする。
(公共下水道へ接続することができない下水道施設の維持管理)
第11条 施行者は、第3条第2項の規定により集中浄化槽又は合併浄化槽等を設置した場合は、施行者において、適正に維持管理をしなければならない。
(委任)
第12条 この規程に定めるもののほか、必要な事項は、管理者が別に定める。
附則
この規程は、令和3年8月11日から施行する。
附則(令和4年6月30日公営企業管理規程第8号)
この規程は、令和4年7月1日から施行する。
別図第1(第7条関係)
硬質塩化ビニル管布設標準図

注
1 1.0メートル以下の切管施工は行わないこと。
2 支管の取付けは、マンホール外壁より1.0メートル以上の離隔をとること。
別図第2(第7条関係)
管渠基礎工標準図
1 素堀により管渠を設置する場合
標準横断図
(単位:mm)

注 Dは、管外径を表す。
2 土留を用いて管渠を設置する場合
(1) 標準横断図
(単位:mm)

注 Dは、管外径を表す。
(2) 土留工参考図
ア 標準平面図
(単位:mm)

イ 標準断面図
(ア) 掘削深が2.0メートル以下の場合

(イ) 掘削深が2.0メートルを超える場合

別図第3(第8条関係)
1号組立マンホール詳細図
(1) 平面図
(単位:mm)

(2) 断面図
ア 縦断面図
(単位:mm)

注 dは管内径(口径)、t1は管厚を表す。
イ 横断面図
(単位:mm)

注 t2は、モルタル仕上げ厚を表す。
調整リングの使用は、1個とする。
別図第4(第8条関係)
インバート施工図
(1) 断面図

(2) 中間マンホール

※ R1は、500ミリメートル以上とすること。
※ 縦断線形上に直線部を設けないこと。
(3) トップマンホール

※ R2は、450ミリメートルとすること。
※ Xは、100ミリメートル以上確保すること。
別図第5(第8条関係)
京田辺市型下水道マンホール鉄蓋(マンホール鉄蓋φ600)
(1) カバー及びフレーム断面図
ア T―25
(単位:mm)

注
1 道路一般については、T―25を使用すること。
2 T―25の規格は、次の表のとおりとする。
材料引張強さ | 蓋700N/mm2以上 伸び 蓋5~12% 硬度 蓋HB235以上 |
枠600N/mm2以上 伸び 枠8~15% 硬度 枠HB210以上 | |
破壊荷重 | (200×500荷重板)700kN以上 |
歪 | (200×500荷重板)210kNにて2.2mm以下 |
残留歪 | (200×500荷重板)210kNにて0.1mm以下 |
3 蝶番金具については、下流側に設置すること。
イ T―14
(単位:mm)

注
1 大型車の交通の少ない道路(車線区分がなく大型車の交互通行が困難な道路)については、T―14を使用すること。
2 T―14の規格は、次の表のとおりとする。
材料引張強さ | 蓋700N/mm2以上 伸び 蓋5~12% 硬度 蓋HB235以上 |
枠600N/mm2以上 伸び 枠8~15% 硬度 枠HB210以上 | |
破壊荷重 | (200×500荷重板)400kN以上 |
歪 | (200×500荷重板)120kNにて2.2mm以下 |
残留歪 | (200×500荷重板)120kNにて0.1mm以下 |
3 蝶番金具については、下流側に設置すること。
(2) カバー平面図
(単位:mm)

(3) レベル調整施工納まり図

(4) 自動錠取付座及び蝶番取付座詳細図
ア 自動錠取付座詳細図
(単位:mm)

イ 蝶番取付座詳細図
(単位:mm)

別図第6(第9条関係)
φ200公共汚水ます及び取付管標準図
(1) 標準タイプ
ア 標準図

イ インバート詳細図
90°両側合流
(単位:mm)

(2) ます底の高さより取付管底の高さの差が35センチメートル以上深くなる場合(ドロップタイプ)
ア 標準図

イ インバート詳細図
90°両側合流
(単位:mm)

(3) 本管土被り2.0メートル以上の場合
標準図

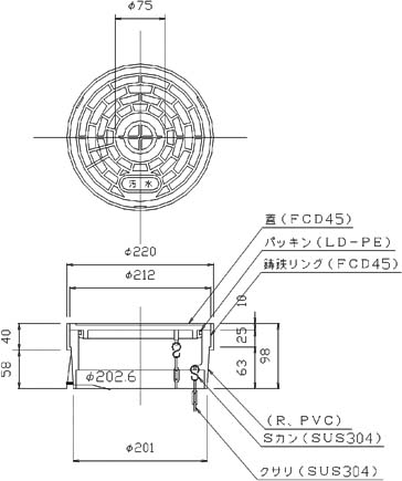
別図第7(第9条関係)
京田辺市型ワンタッチ開閉密閉式鋳鉄蓋(鎖付)詳細図
(単位:mm)

別図第8(第9条関係)
取付管基礎工標準図
(単位:mm)









